
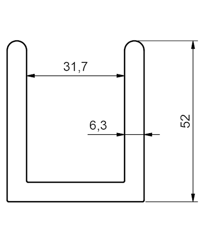
EN AW-6005A Profile 7242/12104/16727 EN-AW 6005 T6 6000mm - 6000 mm
Ei pintakäsittelyäEN AW-6005A
Kohtalainen korroosionkesto, hyvä hitsattavuus. Lujempi kuin AW 6063 seos.
Emme vastaa siitä, jos tuote on loppuunmyyty. Ilmoitettu paino on teoreettinen. Ota meihin yhteyttä, jos sinulla on kysymyksiä
Lataa PDF

Seokset
Tiheys | Si | Fe | Cu | Mn | Mg | Cr | Zn | Ti | Mn+Cr | Other | |||||
---|---|---|---|---|---|---|---|---|---|---|---|---|---|---|---|
Nimi | g/cm3 | Min | Max | Max | Max | Max | Min | Max | Max | Max | Max | Min | Max | Max | Rest |
EN AW-6005A | 2,71 | 0,5 | 0,9 | 0,35 | 0,3 | 0,5 | 0,4 | 0,7 | 0,3 | 0,2 | 0,1 | 0,12 | 0,5 | 0,15 | Al |
Alumiini Ominaisuudet
Lämpöjohtavuus | Lämpölaajentumiskerroin | Sulamispiste | Kimmomoduuli | Sähkönjohtavuus | |||
---|---|---|---|---|---|---|---|
Seos | Tila | W/m*K | µm/(m*K) | min °C | max °C | KN/mm2 | %IACS |
EN AW-6005A | T1 | 23,3 | 605 | 655 | 69 | ||
EN AW-6005A | T4 | 23,3 | 605 | 655 | 69 | ||
EN AW-6005A | T5 | 23,3 | 605 | 655 | 69 | ||
EN AW-6005A | T6 | 193 | 23,3 | 605 | 655 | 69 | 49,5 |